





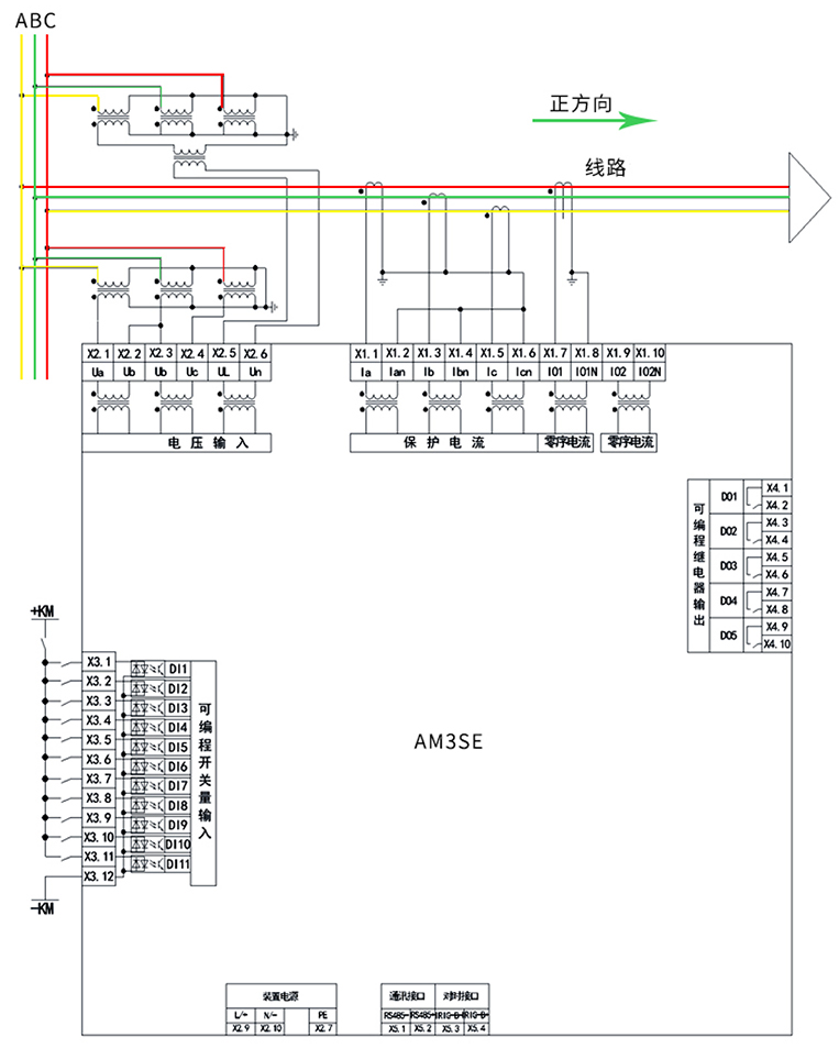
AM系列微機保護測控裝置集保護、測量、控制于一體,適用于35kV及以下電壓等級的用戶終端變電站(所),可實現用戶變電站的保護和測控。應用領域覆蓋電力、水利、交通、石油、化工、煤炭、冶金等行業。具體型號...
立即咨詢AM系列微機保護測控裝置集保護、測量、控制于一體,適用于35kV及以下電壓等級的用戶終端變電站(所),可實現用戶變電站的保護和測控。
應用領域覆蓋電力、水利、交通、石油、化工、煤炭、冶金等行業。
具體型號:AM5-T 512112
技術要求:10kv變壓器保護;電流輸入5A;零序電流輸入1A;操作電源DC220V;帶防跳盒;不帶GPS對時功能。
通訊協議:RS485接口 Modbus/RTU協議或103規約可設置
輔助電源:DC 220V